5.0 Swap gauge cluster HELP!!!


Fletch!

Forum Member

Joined
Jan 7, 2025
Messages
35
Points
101
City
Ca
Vehicle Year
2001
Engine
Transmission
Manual
I have just recently swapped a 98 explorer 302 into my late 2001 duratec 2.3 ranger. When I turn the engine on it seems to be reading oil pressure on the coolant gauge and nothing on the oil pressure gauge. Do I need to swap some wires in the gauge cluster??? has anyone ran into similar issues? any help would be greatly appreciated.

video of what is happening
 
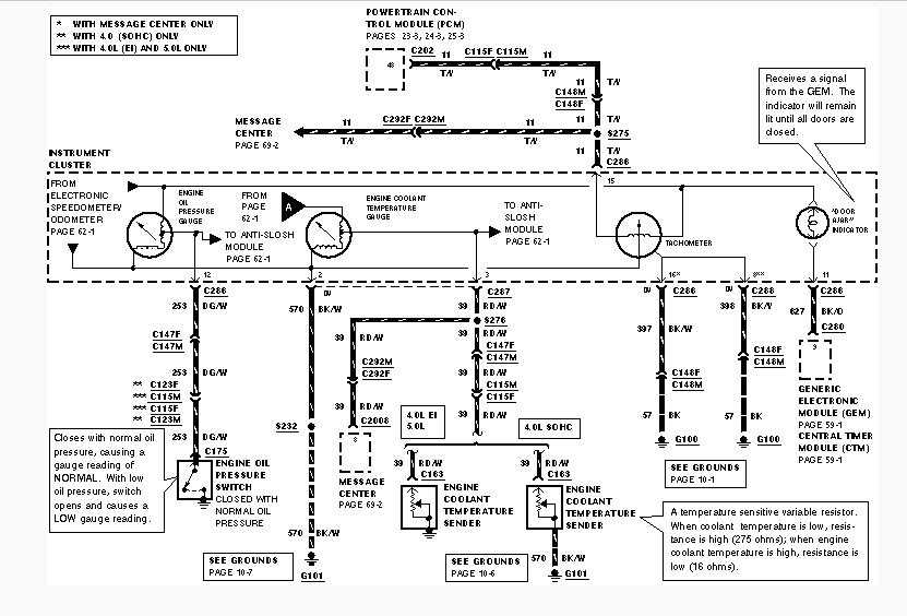
They are somewhat different. These should help.
 

Attachments

  • 5.0 Swap gauge cluster HELP!!!
    98Explorer-062-6.PNG
    29.8 KB · Views: 133
  • 5.0 Swap gauge cluster HELP!!!
    98Explorer-062-5.PNG
    33.8 KB · Views: 109
  • 5.0 Swap gauge cluster HELP!!!
    98Explorer-062-4.PNG
    22 KB · Views: 101
  • 5.0 Swap gauge cluster HELP!!!
    98Explorer-062-3.PNG
    34 KB · Views: 103
  • 5.0 Swap gauge cluster HELP!!!
    98Explorer-062-2.PNG
    34.9 KB · Views: 105
  • 5.0 Swap gauge cluster HELP!!!
    98Explorer-062-1.PNG
    35.6 KB · Views: 98
  • 01Ranger-413-01-07.pdf
    01Ranger-413-01-07.pdf
    11.4 KB · Views: 119
  • 01Ranger-413-01-06.pdf
    01Ranger-413-01-06.pdf
    7.1 KB · Views: 109
  • 01Ranger-413-01-05.pdf
    01Ranger-413-01-05.pdf
    9.9 KB · Views: 130
  • 01Ranger-413-01-04.pdf
    01Ranger-413-01-04.pdf
    17.2 KB · Views: 138
  • 01Ranger-413-01-03.pdf
    01Ranger-413-01-03.pdf
    13.1 KB · Views: 111
  • 01Ranger-413-01-02.pdf
    01Ranger-413-01-02.pdf
    11.1 KB · Views: 113
  • 01Ranger-413-01-01.pdf
    01Ranger-413-01-01.pdf
    9.1 KB · Views: 117
You get to look through those diagrams and figure out which wires need moved around in which connectors. Its tedious work, but necessary! fyi, my experience with engine swaps is that I spent more time on wiring than I did on the mechanical stuff.
 
You get to look through those diagrams and figure out which wires need moved around in which connectors. Its tedious work, but necessary! fyi, my experience with engine swaps is that I spent more time on wiring than I did on the mechanical stuff.
Time to learn how to read wiring diagrams hahahah
 

Sponsored Ad

TRS Events & Gatherings

Featured Rangers

Want to see your truck here? Share your photos and details in the forum.

TRS Latest Video

Official TRS Merchandise

Follow TRS On Instagram

TRS Ranger Sponsors


Product Suggestions

Back
Top