- Joined
- Jan 18, 2025
- Messages
- 30
- Points
- 101
- City
- Piedmont, Alabama
- Vehicle Year
- 1994
- Engine
- 4.0 V6
- Transmission
- Manual
- Total Drop
- 2/4
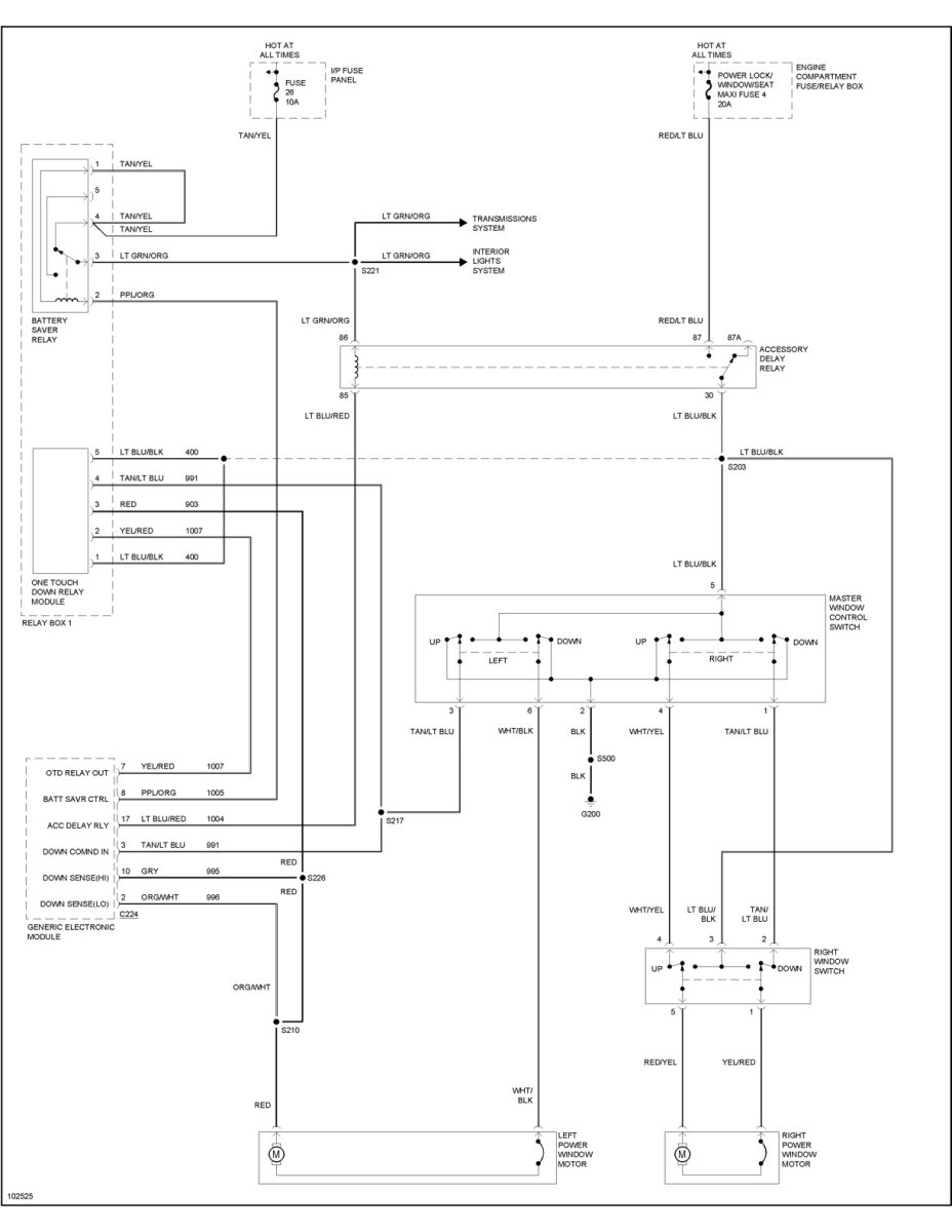
The fuse box info for 98-00 shows #4 being windows, and #26 being window relay so yeah it had that whole through the GEM nonsense...
![]()
1998-2000 Ford Ranger Fuse Box Diagrams - The Ranger Station
Fuses protect your vehicle’s electrical system from overloading. If electrical parts in your vehicle are not working, the system may have been overloaded and blown a fuse. Before you replace or repair any electrical parts, check the appropriate fuses. The … Continuedwww.therangerstation.com
Appreciate the info Brain. Kinda what I was worried about. Stuff I didn’t know in the beginning. I should have done more research.
