2.3L ('83-'97) 2.3 won't charge past 12.5V


ylidk

5+ Year Member

Joined
Jul 16, 2018
Messages
57
Points
601
City
KS
Vehicle Year
1991
Transmission
Manual
Hey all, so this is going to sound like the obvious answer is a bad voltage regulator, but it has been far more confusing of a problem and I finally decided to stop and ask for some help.

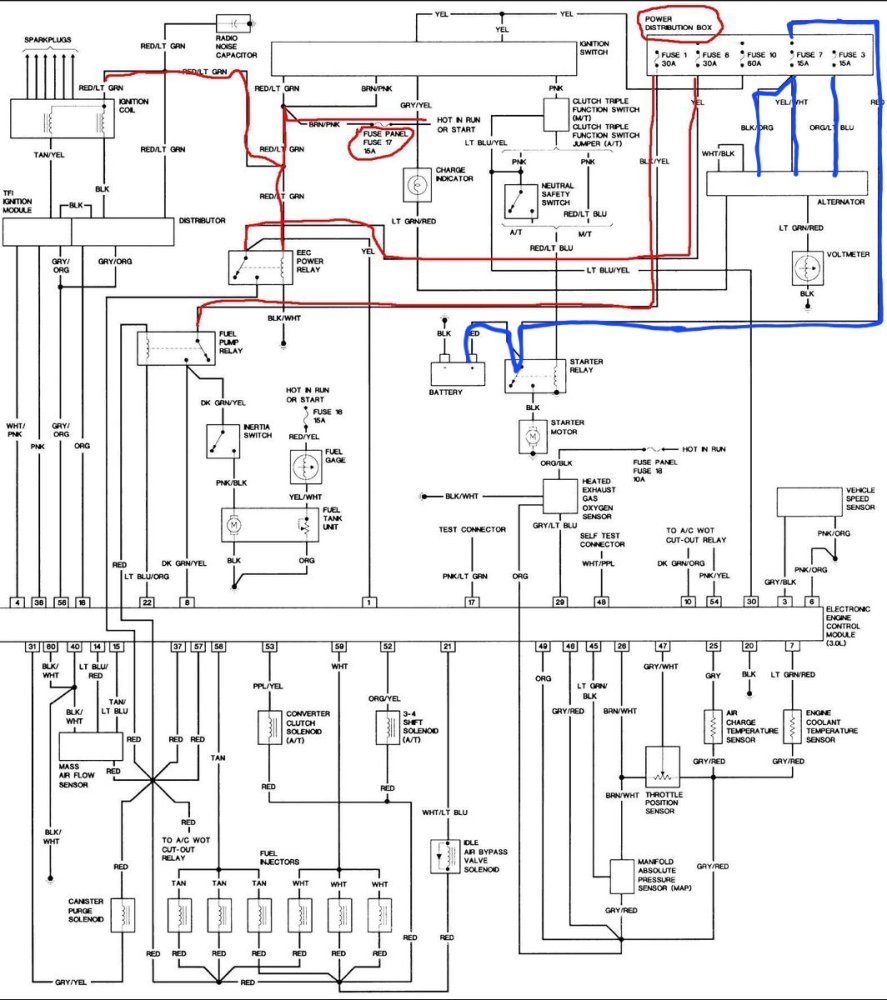
I have a 1991 ranger that came with the 2.3 stock. I have swapped the engine for the 2.3 turbo from an 88 turbocoupe, and a fair bit of wiring has changed around, but I am using the belt drive from the ranger so the alternator wiring is (was) stock (see attached image with lines highlighted blue). At the alternator power output, I saw 14 volts, but the battery only charged up to 12.5 volts. The 14 volts persisted at the power distribution box and through the maxi fuses, but dropped 0.5 - 1.0 volts at the starter solenoid, then another 0.5 to 1.0 volts to the battery.

I tried cleaning contacts, and fixing this in any way I could, but eventually gave up on the power distribution box for the alternator power, cut those wires and used fusible links routed directly to the battery terminals, so now that alternator goes directly to the battery. The power distribution box still gets power from the battery of course, and the alternator's voltage regulator reference wire still goes to the fuse here, as the voltage matches what the battery says and I don't see a need to reroute this one.

After making this change, now the alternator power output only reads 12.5V (at least it matches the battery this time) and won't put out 14 volts. Here's where the issue seems like a bad voltage regulator, but I have swapped the alternator and had the same issue with this one. I drove the car to Oreillys, and both alternators failed on the car, yet the original alternator passed on the tester. The replacement (duralast gold) actually failed on the machine, but they had to macgyver some jumpers between the new alternator's hard wired lines and their plug connector, so that could be the cause here.

I've checked resistance between battery terminals while the engine is running and get 27 ohms, which matches my f150 while running as a baseline, so I don't think there is a short somewhere causing this issue. I have swapped batteries with the f150 and still no luck, 12.5V in the ranger and 14 volts on the Rangers battery in the f150.

At this point I really have no idea what could be causing it, as every test has pointed to a bad alternator, except the alternator tests good. I am getting the duralast replaced, but they have to order in the replacement, so hopefully that is actually the cause, but the currently installed alternator should be working.

Any help is appreciated, this has been driving me mad for almost a week now.
 

Attachments

  • 2.3 won't charge past 12.5V
    20240207_161641.jpg
    159.3 KB · Views: 217
Last edited:
This will be easier

Key off
Test voltage using alternators metal case as the ground
Test battery voltage first, thats the reference you need

On the back of the alternator is the B+ terminal, stud/nut terminal
Test its voltage, should be EXACTLY battery voltage
If not then its fuses 3 and 7 in engine fuse box are bad or the connections
But also retest using Battery Negative terminal to make sure alternator's metal case has a good ground

If B+ is OK, then unplug the 3 wire connector
There is a Yellow/white wire, test its voltage, should be EXACTLY battery volts
If not fuse 7 is bad or its connection

Test light green/red wire, should be 0 volts
Turn key ON
Retest, should now be Battery volts, but slightly less because key is on now
(This green/red wire is the ON/OFF switch for alternator, also Battery Light wire)

If all wires test as OK, then plug back in the 3 wire connector and make sure the White wire is plugged in correctly to its single terminal on the back of alternator

Start engine
Test battery volts
Should be 13.6 to 14.8volts, alternators is working like it should
If still Battery Volts then alternator is not working

Test B+ again, if it shows 13.6-14.8volts then there is no connection between fuses 3 and 7 to Battery, which is usually on the Starter Relays Battery positive post
 

Attachments

Thank you for the quick response! I followed the test as described above and everything is good up until the test of the light green/red wire. When off it reads 0V, and when the key is turned on it is still 0V. I will trace this wire's issue down and see what changes.

Based on the wiring diagram, the light green wire comes from the ignition switch through the charge indicator, and also goes to the gauge cluster - I have my gauges unplugged as I am working on a digital dash for this truck, the dashboard being unplugged wouldn't cause issues with the voltage from the ignition switch reaching the alternator, would it? If the wire does use the gauge cluster as an integral part of that voltage path, sounds like I will need to jump that wire.
 
Thank you for the quick response! I followed the test as described above and everything is good up until the test of the light green/red wire. When off it reads 0V, and when the key is turned on it is still 0V. I will trace this wire's issue down and see what changes.

Based on the wiring diagram, the light green wire comes from the ignition switch through the charge indicator, and also goes to the gauge cluster - I have my gauges unplugged as I am working on a digital dash for this truck, the dashboard being unplugged wouldn't cause issues with the voltage from the ignition switch reaching the alternator, would it? If the wire does use the gauge cluster as an integral part of that voltage path, sounds like I will need to jump that wire.

Verified this wire was the cause. I grabbed the stock gauge cluster and plugged it in and now it charges fine. Guess I'll have to nip that in the bud. Thank you for the help Ron!
 
Yes, if the Battery light is unplugged no alternator

That is your problem
You can added 12v to the green/red wire directly but you MUST unhook it when not using the vehicle or battery WILL go dead

So you could put a jumper at the cluster connectors, from Key ON 12v to the green/red wire
Then when key was off no 12volts
The Battery light bulb is not required, it's there to warn driver if alternator is no longer generating voltage, it comes on with key on because alternator is no generating voltage, then goes off after engine starts because alternator IS generating voltage


An alternator is "similar" to an electric motor used in Reverse, but just similar
If the green/red wire has 12v all the time the alternator will try to spin the engine via the fan belt..............lol, not gonna happen but that will drain the battery
 

Sponsored Ad

TRS Events & Gatherings

Latest posts

Featured Rangers

Want to see your truck here? Share your photos and details in the forum.

TRS Latest Video

Official TRS Merchandise

Follow TRS On Instagram

TRS Ranger Sponsors


Product Suggestions

Back
Top