bobbywalter
TRS Technical Staff
TRS Event Staff
TRS Technical Advisor
TRS Event Participant
TRS 20th Anniversary
TRS 25th Anniversary
Ugly Truck of Month
TRS Banner 2012-2015
- Joined
- Aug 9, 2007
- Messages
- 25,683
- Points
- 3,101
- City
- woodhaven mi
- Vehicle Year
- 1988
- Engine
- Transmission
- Automatic
- Total Lift
- sawzall?
- Tire Size
- 33-44
- My credo
- it is easier to fix and understand than "her"
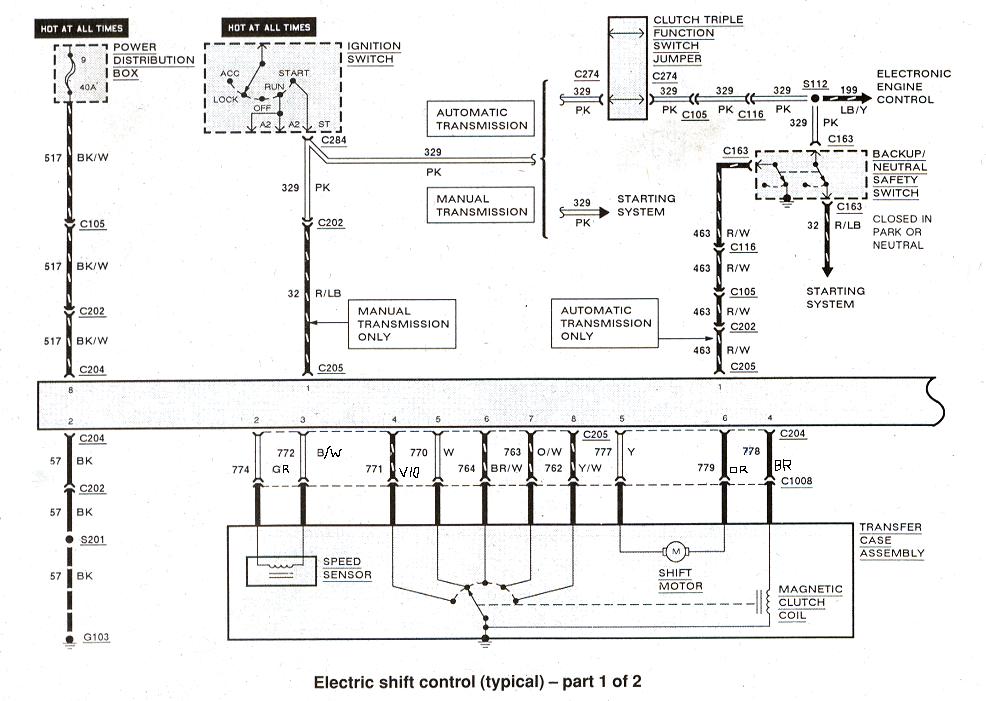
I have removed the wires going to the so called (NSS) and put the jumper wire in so it still starts up with the clutch pressed in. And I found the to wires that run the reverse lights and now they work. So now I'm getting somewhere I think. Now I have the 2 wires coming from the (NSS) that I need to find a home for. And I only have one more spot to plug a wire in to on the plug. That wire is red w/white stripe on the other side of plug on the fender. I'm guessing that I will game to tie one those two wires from (NSS) to the reverse light wires and the other wires plugs in to the red w/white spot on fender plug. I THINK! But don't want to burn any wires up till I get another opinion
so for sure you have power to the unit and switch? no bad fuses and such?
on this style I have always been able to get high range with nothing hooked up on the pedel or the trans so I am not sure where the issue is.. low range needed the switch to gd so you can go in and out...and the vss of course is there to keep it from exploding into low at a bad moment.
is there anything on this diagram you don't understand?? the module has a switch side and the motor side...with the power and inputs. the switch side confuses me....I see it as a p/g setup to turn off the abs in low...but looking at the harness it crosses my eyes pretty good

so I prefer levers....and manual operation. though my b2 has this setup.
Attachments
Last edited: