• Welcome Visitor! Please take a few seconds and Register for our forum. Even if you don't want to post, you can still 'Like' and react to posts.

Help Wire Fire!!!


I have one more question about timing

Finding TDC/distributor swap states :

"pull cylinder #1 spark plug and manually turn engine clockwise until compression is felt, harmonic balancer should read 0 and inside rotor cap should be at the 11'oclock position, install new distributor/rotor at same position"


But I have seen this stated on here before:

"You can put number one plug on any tower, as long as the number one piston is on tdc and the rotor is at a tower and that wire goes to number one and the rest follow the timing order."

So it does not matter if I have to wiggle the new distributor in and it is not 100% where the old one was as long as I do the above mentioned?
 
Yes, that is correct.

Some caps have the towers numbered with firing order to make things easier, but there is no #1 must use tower on a cap.

The sparking timing is between the Cam and distributor setup, the TDC mark on the crank is used because that is the only external reference for the Cam position, but the crank passes TDC twice for ONE rotation of the Cam, which is why you need to get the "compression" TDC mark and not the "exhaust" TDC mark.
"Compression" TDC/#1 firing, only happens every second TDC, so make sure you are using the correct TDC.

Cam and distributor gears are also angled, so distributor shaft will turn as it is lowered into place, so you have to place the rotor in a position that will rotate to the correct tower when distributor is lowered into place.

Second thing that comes up is the oil pump slot, the distributor shaft also runs the oil pump via a slot at the bottom of the distributor shaft, so this slot also has to line up for the distributor to drop all the way down.
Easiest thing to do is to have all spark plugs removed, drop distributor into place, and then rotate engine manually until distributor drops into the oil pump slot.

Remember when placing the distributor that you will need to rotate it to fine tune the timing, so make sure you have clearance for that movement in both directions.
 
:headbang: Well, I got all the wiring re-done that I needed and installed distributor, rebuilt carb, 1-wire alternator, coil, plugs/wires, new valve seals, new 9" air cleaner, flushed coolant, and a oil change. It fired right up and has never ran better, no smoke at all now, runs strong, and great throttle response.


The only thing I need to mess with a little is the idle, more specific the transition from idle to rev. It kinda seems like it wants to bog when I hit the throttle from steady idle. Any tips on perfecting this?
 
Nice work :icon_thumby:

Rebuilt carb
Accelerator pump issue can cause bogging.
When you press down on the gas pedal a small piston in the carb is pushed down(the accelerator pump), this gives a squirt of gas into the intake for faster RPM response, the quicker or hard you press the pedal the more fuel squirts out.
The motorcraft 2150 uses a diaphragm type accelerator pump, with engine off remove air cleaner and look into carb, rotate throttle(like foot on the pedal) and watch if gas squirts in to the intake, should be a nice stream, one in each barrel of the carb.
 
Well I just bent the arm on the accel pump as the plunger was not able to go all the way out in rest position. Was running GREAT, checked timing again and figured I would take it for a spin. Smoother and more power than it ever had with that factory crap.

Well I didn't get but 5 miles and the truck died, wtf. Popped hood and looked around. Msd coil it freaking HOT to the touch, I knew it was fried.

I have seen post stating you can use the ranger tfi msd coil for the DS conversion and not use a ballast resistor. I even called msd direct last week and they said it is a full 12 volt coil all times. So that is how I wired it. I am going to install a new coil with a msd ballast resistor this time, and hope this shit don't burn up.
 
Issue with short throw on accelerator pump would explain the bogging

"They" also recommend mounting the 12v coil away from the engine, fender well usually, combined engine heat and coil heat can fry coil
Ballast resistor reduces the voltage at the coil so heat is reduced but so is spark voltage
 
Last edited:
Coil is mounted up high in the fender well, noway it's getting hot from the engine. Engine was only running for about 15-20 min and barely up to temp, when I poped the hood and looked around, clearly it was/is a burnt coil. It was so hot you could barely touch it and all the surrounding we're cool, DS box barely even warm.


I know the ballast resistor will reduce the voltage at all times, but what else could it be? Also, why does MSD sell a specific ballast resistor if their coils are 12 volt all the time? Some maybe, but I don't think this one is.

I figured just install it with it and run the start bypass wire and if it runs just fine, then great and keep it installed. If not, then remove and troubleshoot again. :icon_confused:
 
So this is the coil I had MSD 5527--> http://www.summitracing.com/parts/msd-5527

This is the coil I just ordered instead MSD 8227-->http://www.summitracing.com/parts/msd-8227

I called MSD again today and they said to go with the 8227 and to "install" a ballast resistor this time. They also said to install one on the DS box, is this correct?



So which ballast resistor do I install on the MSD 8227 coil, I have a .8 and a 1.6 ohm ?

Should I install one on the DS box as well (note* it was not hot), if so what ohm ?
 
All help is greatly appreciated here,



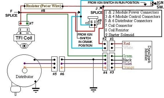
From my research the plan now is to wire + "run" wire to ballast resistor then to coil +, and a wire from the "I" terminal on the starter solenoid to the coil + as well for full 12 volt during "start" position .

As shown :

duraspark-ii-schematic.jpg


My only question now is, do I use the .8 or 1.6 ohm ballast resistor ? Or does it even matter which one?




:icon_cheers:
 
I tried to find the specs for that coil and it says it is a plug and play for the TFI ignition. If that is correct it dont need a ballast resistor the TFI coil runs on battery voltage. If you run a wire from the start solenoid you need to add a diode so power does not back feed into the solenoid when the engine is running. I did just notice the start solenoid has a separate I connector in your diagram not sure how that works. If it only has hot when the key is on start and not connected to the starter wire it would work.
 
I tried to find the specs for that coil and it says it is a plug and play for the TFI ignition. If that is correct it dont need a ballast resistor the TFI coil runs on battery voltage. If you run a wire from the start solenoid you need to add a diode so power does not back feed into the solenoid when the engine is running. I did just notice the start solenoid has a separate I connector in your diagram not sure how that works. If it only has hot when the key is on start and not connected to the starter wire it would work.

I had the previous MSD TFI coil hooked up to full 12 volts in the "run" position like you state, and it burnt/fried in less than 10 min. So I don't think I want to wire it the same way again and burn another one ($40 bucks a pop).

I am pretty confused by this also, as I have seen you and others state the same thing over and over here "use the stock TFI coil and you don't need a ballast resistor"

The only thing I am thinking maybe why is most of you are still using the "factory wiring" for you're Duraspark conversions, just taping into it. And the OEM wiring harness has a ballast resistor in it, so essentially you guy's are using one if you are using the factory wiring.

In you're opinion which one should I go with, the .8 or 1.6 ohm ballast resistor ?
 
I did just notice the start solenoid has a separate I connector in your diagram not sure how that works. If it only has hot when the key is on start and not connected to the starter wire it would work.

Yes, the "I" terminal on the starter solenoid only produces a full 12 volt when the starter is engaging (signaled from "S" terminal). I pulled up how the DS system was ran originally, and this how it showed it being wired.

(I also have a diod on hand just in case I need to make it one-way-current)

duraspark-ii-schematic.jpg
 
I am thinking I need the .8 Ballast resistor

msd coil .68 + msd ballast resistor .8 = 1.48

12 volts / 1.48 ohm = 8.1

Sound correct?
 
Last edited:

Sponsored Ad


Sponsored Ad

Special Events

Events TRS Was At This Year

TRS Events

Member & Vendor Upgrades

For a small yearly donation, you can support this forum and receive a 'Supporting Member' banner, or become a 'Supporting Vendor' and promote your products here. Click the banner to find out how.

Latest posts

Recently Featured

Want to see your truck here? Share your photos and details in the forum.

TRS Latest Video

TRS Merchandise

Follow TRS On Instagram

TRS Sponsors


Sponsored Ad


Sponsored Ad


Amazon Deals

Sponsored Ad

Back
Top