• Welcome Visitor! Please take a few seconds and Register for our forum. Even if you don't want to post, you can still 'Like' and react to posts.

2006 FX Level II 5.0L AWD swap, and the lessons I'm currently learning during this project...


You can eliminate the pats with Forscan. Keep in mind that makes it easier to steal. (Think of all the Hyundai/KIA thefts lately...)
I don't think Forscan can disable PATS.
 
Is that a programmer or something?
you can have pats turned off on the internal units.

if i was going to steal a truck with pats....bringing my own computer.

takes seconds to pcm swap and plug swap the pump.
 
 
currently the older pcms are stranding people quite a bit where i live.....and pats is an issue. especially when someone attempts to steal it and damages everything....then your fawked.
 
6.0 and an ar5? Sorry you lost me
6.0 engine from a gen 3/4 gm application...and an ar5 transmission from a chevy colorado.


maybe a 5.3....they are better on gas.

waaaaay more power either way.


easier to get parts for.


on edit here.

the direction of this thread is excellent...

how the pats was handled and kept intact took alot of effort combining generations.

this is appreciated highly by myself personally.


if you can find these parts as was done here it is quite an easy swap.

where i live and with what is readily available locally.... 10 years ago it was ideal....now...not so much.
 
Last edited:
6.0 engine from a gen 3/4 gm application...and an ar5 transmission from a chevy colorado.


maybe a 5.3....they are better on gas.

waaaaay more power either way.
Yeah, mine is a 2006. And why would I want to put a Chevy in it? No thanks. I don’t crossbreed.
 
the cross breed is for meeting potential emmissions.


the windsors went away in 01. and there is no way i would use a 4.6 over a 5.3 or a hemi.

no emmissions....no worries. run a solid hci 351.

i would rather hear a 351.
 
Thankfully, there is no emissions here in Oregon yet with all the stinking liberals around!
 
I haven’t mastered the ability to tell the difference between a 351 and a 302 just by hearing them. I have a pretty nasty solid roller big bore 347 that I am building for my Mustang right now. You couldn’t tell what size my last motor was in my car just by listening to it
 
I haven’t mastered the ability to tell the difference between a 351 and a 302 just by hearing them. I have a pretty nasty solid roller big bore 347 that I am building for my Mustang right now. You couldn’t tell what size my last motor was in my car just by listening to it


yeah...i can see that...
depends. cubes to 380 or so is hard to differentiate at 350-400 hp... but when cubes get out there...420 or so, things just sound different.

its hp that really is key for the most part. the odds of a n/a 500 hp 302 are low....but they exist....i dont think i would be able to tell it from a 351...with 500hp....depending on combination.

i would likely know it wasnt a 302 after watching it. i have heard plenty of stupid cam low compression 302 and 305 engines that sounded like monsters'...but were nothing....running high 14 to 15 second 1/4 miles at 89 mph.

regardless 250 hp does not sound the same as 500 hp. and a 347 depending on how it is accomplished does not sound like a 302 to my ears....


a stroked out 351 with dart or yates heads will most definitely not sound like a 302 anything.....even a 363 stroker....


in a sea of ls engines.....there is no mistaking a ripping 650 hp naturally aspirated 351 based engine. but they are all 7 liters or better...
 
yeah...i can see that...
depends. cubes to 380 or so is hard to differentiate at 350-400 hp... but when cubes get out there...420 or so, things just sound different.

its hp that really is key for the most part. the odds of a n/a 500 hp 302 are low....but they exist....i dont think i would be able to tell it from a 351...with 500hp....depending on combination.

i would likely know it wasnt a 302 after watching it. i have heard plenty of stupid cam low compression 302 and 305 engines that sounded like monsters'...but were nothing....running high 14 to 15 second 1/4 miles at 89 mph.

regardless 250 hp does not sound the same as 500 hp. and a 347 depending on how it is accomplished does not sound like a 302 to my ears....


a stroked out 351 with dart or yates heads will most definitely not sound like a 302 anything.....even a 363 stroker....


in a sea of ls engines.....there is no mistaking a ripping 650 hp naturally aspirated 351 based engine. but they are all 7 liters or better...
I thought you were just talking about a 351 and a 302, not stroke out engines. i’ve been around horsepower my whole life. I know that you can tell a difference between a big cubic inch versus a small cubic inch. It’s pretty hard to tell the difference between 49cu inches in stock form.
 
If a 351 Windsor would fit in there I would try it on a future build but I don’t think they will fit. I’d like to know if someone has tried it though.
 
If a 351 Windsor would fit in there I would try it on a future build but I don’t think they will fit. I’d like to know if someone has tried it though.



they fit fine. i have a 6.2 diesel in my truck....it is slightly larger then the 2.9...but its in there. this is a 6.5 and a 350 sbc....










.
6.5vs350.jpg
 
Looking through alldata last night I see what you mean about the elimination of the seperate PATS Module.

The data lines travel between the Cluster and the PCM, instead of the PATS and PCM. I pulled the dash and there is no PATS module or harness, not that I expected one.

But the implementation of the Explorer PATS seems simple enough as it just need communication over the OBD data lines which are the same and pinned the same. So possibly transplanting the PATS module, with the Transceiver (as the wire colors are different and 2 go to the PCM), and tapping them to the OBD Data will be sufficient to enable start on the Explorer PCM. Since you would be skipping everything in the 06 truck's PATS setup.

I hooked up the 115 Engine harness last night and connected a Solus Legend to the OBD port and it read the Explorer PCM just fine, for fun I turned the Key and obviously a no start with a No Crank at all.

Since you seem to know a bit about the PATS system can you verify if the 2000 Explorer PATS induces a No Crank at all or just a No Fuel / No Spark but still Cranks? I've read all kinds of threads of people claiming different outcomes of a PATS 'no start'.

There was no Theft/PATS indicator on the cluster at all, so I have no info on it blinking or not.

The Odometer did light up and indicate the trucks real mileage.

Obviously the rest of the Cluster working is a whole different senario and has no bearing on the possible success of getting around PATS.

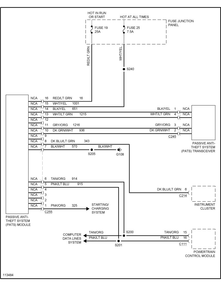
Below are the Type B and Type E PATS diagrams.
View attachment 76838

View attachment 76839
When adding the PATS module to the truck do I just wire them 4 wires straight to the transceiver and then my two hot wires, and then a ground and one to the LED light? What do I do with them two wires that are the computer data lines? TIA
 

Sponsored Ad


Sponsored Ad

Special Events

Events TRS Was At This Year

TRS Events

Member & Vendor Upgrades

For a small yearly donation, you can support this forum and receive a 'Supporting Member' banner, or become a 'Supporting Vendor' and promote your products here. Click the banner to find out how.

Recently Featured

Want to see your truck here? Share your photos and details in the forum.

TRS Latest Video

TRS Merchandise

Follow TRS On Instagram

TRS Sponsors


Sponsored Ad


Sponsored Ad


Amazon Deals

Sponsored Ad

Back
Top