No spark


Joined
May 13, 2025
Messages
2
Points
1
City
Evansville IN
Vehicle Year
1997
Transmission
Manual
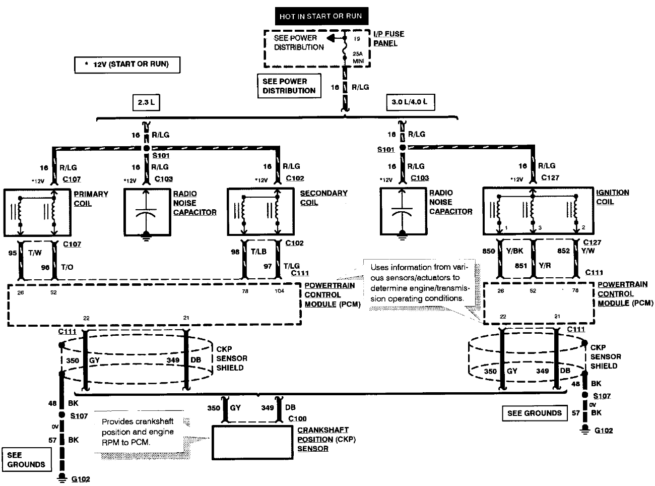
I have a 97 ranger 2.3 that had a cracked head. I replaced the head put everything back together and it started and ran then if I turned it off it won't restart I'm not getting spark. I've checked for lose wiring,fuses, and PCM diode all check out.
 
Do you have 12v at the coils with the key on?
No spark
 
Yes 12 volts at the coil and letting it set for a day or two it will start up again until you turn it off or kill it then it won't restart
 

Sponsored Ad

TRS Events & Gatherings

Featured Rangers

Want to see your truck here? Share your photos and details in the forum.

TRS Latest Video

Official TRS Merchandise

Follow TRS On Instagram

TRS Ranger Sponsors


Product Suggestions

Back
Top