- Joined
- Mar 29, 2011
- Messages
- 30
- Points
- 1,601
- City
- middle ohio
- Vehicle Year
- 96 f150
94 ran
- Transmission
- Manual
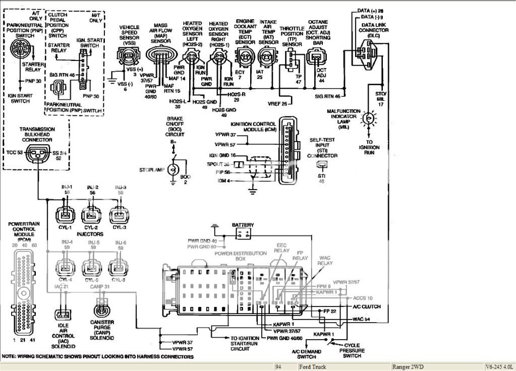
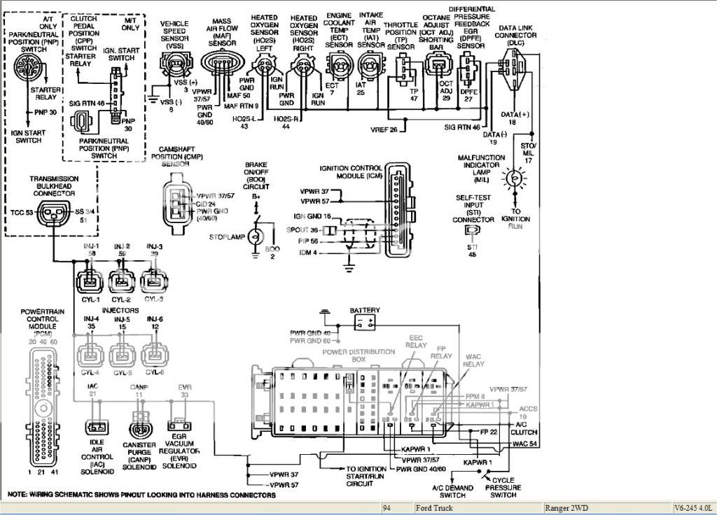
ok i am in the middle of tracking down some pcm issues i ran in to a couple snages. first the truck is a 94 ranger 4.0 i have searched every where for a pcm pinout diagram that tells me what the wires do second will a 94 and older explorer pcm work in a ranger sum say yes sum say no thirdly is the data link connector also refered to as the vip connector if so does any one on here have a pinout for that connector or know where thoes wires run to because i can start the truck an itl run very ruff but if i run a ground wire to the dlc it instantly runs perfect. oh an when i run the ground i am NOT grounding the eec or fp wire on the dlc its the sig return wire that i am grounding that makes it run right so if any one could tell me where that wire goes thatd b great sorry for the long post and thanks for ne help you can offer

