- Joined
- Nov 1, 2025
- Messages
- 5
- Points
- 1
- City
- Ottawa
- State - Country
- ON - CAN
- Vehicle Year
- 2011
- Vehicle
- Ford Ranger
- Drive
- 4WD
- Engine
- 4.0 V6
- Transmission
- Manual
- Total Lift
- Torsion bar level front
- Tire Size
- 255/70R16
Hey all,
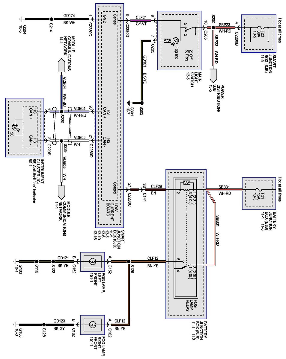
I was at my Bother's place tonight and noticed my fog lights were on despite everything else being turned off. I could not get them to turn off without removing my 15A fuse. I swapped relays but no change. The control side of the relay seems to be shorting to Battery (+) (I think). Normally the fog lights only work when the key is turned on and the headlight switch is pulled out. Switching to high beam turns them off which is normal. I played around with the fog light switch, ignition switch and multi-function switch in different combinations, sometimes the fog lights momentarily turn off (with all other switches off) but then come on again shortly after.
I'm wondering if anybody has come across a similar problem, and if so, what was the solution. I have yet to check anything and just have the fog light fuse removed for now so the battery doesn't drain.
I was at my Bother's place tonight and noticed my fog lights were on despite everything else being turned off. I could not get them to turn off without removing my 15A fuse. I swapped relays but no change. The control side of the relay seems to be shorting to Battery (+) (I think). Normally the fog lights only work when the key is turned on and the headlight switch is pulled out. Switching to high beam turns them off which is normal. I played around with the fog light switch, ignition switch and multi-function switch in different combinations, sometimes the fog lights momentarily turn off (with all other switches off) but then come on again shortly after.
I'm wondering if anybody has come across a similar problem, and if so, what was the solution. I have yet to check anything and just have the fog light fuse removed for now so the battery doesn't drain.

